Золоуловитель ЗУ-2-2 в Анадыре

Золоуловитель ЗУ-2-2 — горизонтальный циклон, который предназначен для улавливания сажи и пылевых примесей, выделенных после сжигания твердого топлива (каменный и древесный уголь, сланец). Применяется в котельных, при промышленном производстве, в нефтяной и химической промышленности. Используется как первая ступень очистки газового потока от загрязняющих веществ.

Цена:
Цена не указана
Количество:
Отправляя свои личные данные через формы на сайте, Вы даёте своё согласие на обработку персональных данных согласно Федеральному закону №152-ФЗ «О персональных данных» от 27.07.2006 г. в редакции от 01.07.2017.

Устройство и принцип работы

Состоит золоуловитель ЗУ-2-2 из входного патрубка, корпуса, выхлопной трубы, трубки для удаления сажи и золы. Принцип работы заключается в прохождении газового потока через изделие и его очистки от сажи. Сажа через входной патрубок проникает в корпус, где под своим давлением закручивается в турбулентные потоки, в результате она теряет кинетическую энергию и оседает через выходное отверстие в специальном резервуаре или как его называют еще — бункер. Очищенный от вредных веществ газов через выхлопную трубу выводится в окружающую среду или подвергается второй ступени очистки.

Особенности и преимущества использования

Выделим следующие плюсы использования золоуловителя ЗУ-2-2:

  • очищает воздушный поток от 99% сажи и пыли;
  • простая конструкция из металла практически не может сломаться, что обеспечивает длительный и бесперебойный срок службы;
  • золоуловитель прост в установке, крепится с помощью специальных шарниров;
  • не требуется специализированное техническое обслуживание, достаточно лишь периодической чистки внешнего корпуса;
  • небольшая цена относительно других приборов для очистки воздушного потока от загрязняющих атмосферу веществ.

Эксплуатация и техническое обслуживание

Золоуловителю ЗУ-2-2 требуется лишь периодическая чистка от пленки из сажи и пыли. Чистку проводят по надобности, обычно при среднем режиме работе чистку проводят 1 раз в 4 месяца. Также возможно покраска корпуса золоуловителя, в случае если он подвергается коррозии. Стоит учитывать, что при покраске — краска должна быть термостойкой.

Купить золоуловитель ЗУ-2-2

Приобрести золоуловитель ЗУ-2-2 возможно двумя способами. Самый быстрый — это звонок по телефону менеджеру, оформление заказа происходит в реальном времени. Если время для клиента менее важно, то можно оставить свои контактные данные в форме обратной связи. Менеджер позвонит покупателю в течение 1 часа и оформит заказ.

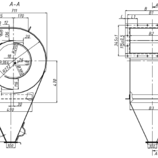
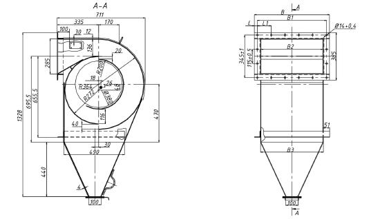
Характеристики
Тип: ЗУ2
Серия: ЗУ 2-2
Номинальная производительность: 1200 м³/ч
Рабочий объём бункера: 0,05 м³
Степень очистки газов: 80-95 %
Максимальная температура очищаемого газа: 250 °С
Габаритные размеры: 870x750x1625 мм
Масса: 130 кг
Схемы

Города поставок

Москва
Пн-Пт 09:00 - 18:00
Сб 09:00 - 17:00
Карачаево-Черкесская Республика
Пн-Пт 09:00 - 18:00
Сб 09:00 - 17:00
Екатеринбург
Пн-Пт 09:00 - 18:00
Сб 09:00 - 17:00

Совершите покупку за 4 шага

Шаг 1
Выберите товары из каталога
Шаг 2
Поместите нужные вам товары в корзины
Шаг 3
Укажите свои контактные данные в форме обратной связи
Шаг 5
Ожидайте звонка от менеджера для оформления покупки

Похожие товары

Циклоны
Циклон ЦН-24-800-1УП — это устройство, которое предназначено для очистки газового потока от частиц пыли, размер которых более 20 мкм. Данное очистное устройство не предназначено для высокой степени очистки газов от загрязняющих веществ, применяется как первая ступень очистки газа от пыли для дальнейшей дезактивации или как очистное сооружения на предприятиях, где есть обширная санитарно-защитная зона и возможности выбрасывать загрязнённые газовые потоки в атмосферу. Чаще всего применяется данная модель циклона на предприятиях черной и цветной металлургии, при изготовлении строительных материалов, в машиностроительной промышленности, при транспортировке вредных мелкозернистых вредных веществ, а также в нефтяной и химической индустрии.
Вы смотрели эти товары
Циклоны
Золоуловитель ЗУ-2-2 — горизонтальный циклон, который предназначен для улавливания сажи и пылевых примесей, выделенных после сжигания твердого топлива (каменный и древесный уголь, сланец). Применяется в котельных, при промышленном производстве, в нефтяной и химической промышленности. Используется как первая ступень очистки газового потока от загрязняющих веществ.
Котельные установки
Топки котлов
Топка ТЧЗМ-2,7/5,6 изготавливается из жаропрочных стальных сплавов. Такие изделия необходимы для обогрева промышленных объектов, складских и подобных помещений. Топки работают вместе с твердотопливными котлами и являются важной частью отопительной системы. Они обеспечивают нагрев теплоносителя, который подается котлом в общую систему обогрева объекта.